Free Parallel and Series
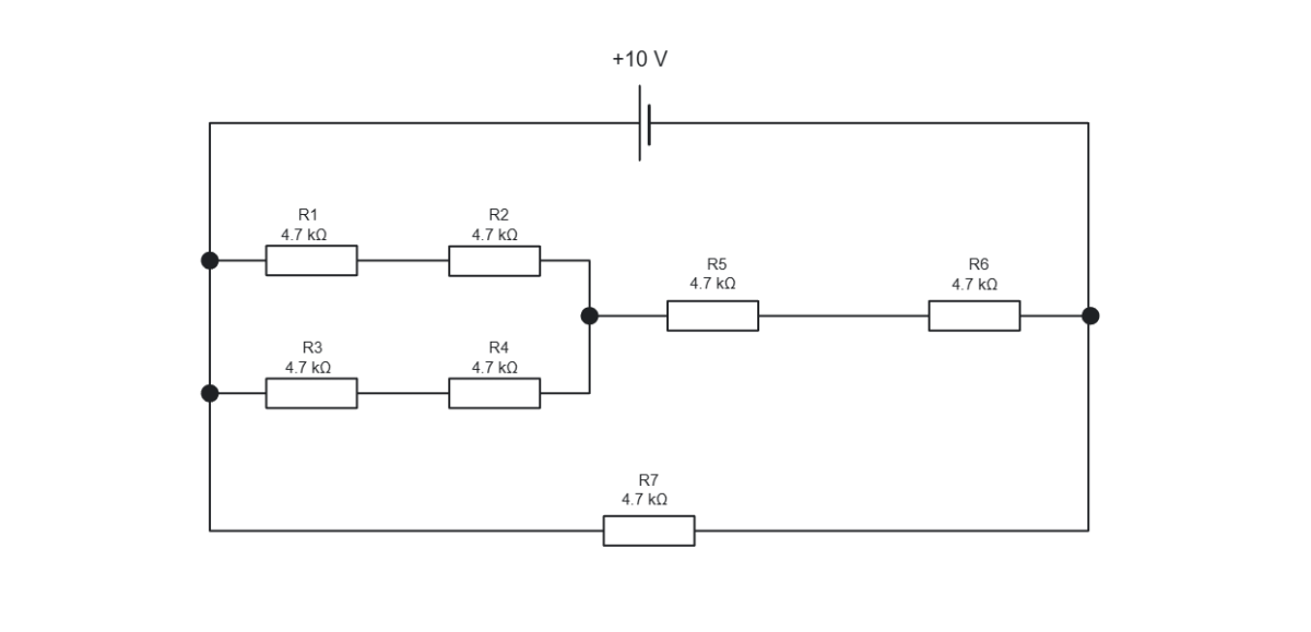
The Parallel and Series Circuit template is a professional engineering tool designed to facilitate the visualization and analysis of complex resistive networks containing both branch and sequential connections. This resource is ideal for electrical engineers, lab technicians, and physics students who require a clean, high-fidelity schematic for documenting circuit topology and current distribution. Users begin the workflow by establishing the $+10\text{V}$ power source and identifying the primary parallel branches containing resistors such as $\text{R1}$ through $\text{R4}$. They then move through the step-by-step process of evaluating the series interactions with downstream components like $\text{R5}$ and $\text{R6}$ while accounting for the bypass effect of $\text{R7}$. Completing this logical process results in a comprehensive technical roadmap that enables stakeholders to achieve precise equivalent resistance calculations and optimized circuit performance.
