Free Powerbank
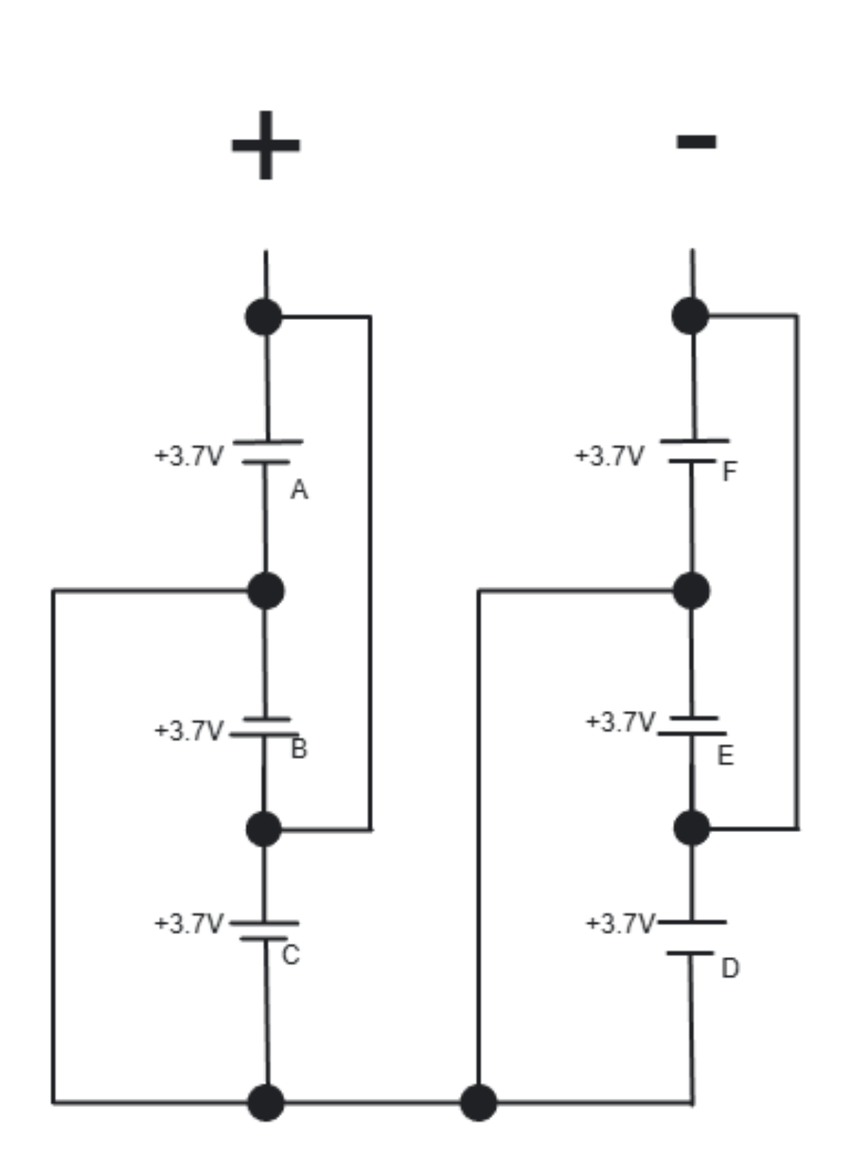
The Powerbank template is a professional technical tool designed to help users visualize and document the internal battery configuration and wiring of a portable charging device. This resource is ideal for electrical engineers, product hardware teams, and battery technicians who require a standardized blueprint for battery management system design. Users begin the workflow by establishing the positive and negative terminal connections for the overall system. They then move through a step-by-step process of mapping out individual 3.7V cells—labeled A through F—and defining their specific parallel and series wiring paths to ensure correct voltage output. Completing this logical process results in a high-fidelity technical roadmap that enables stakeholders to verify power capacity and achieve a safe, optimized energy storage solution.
