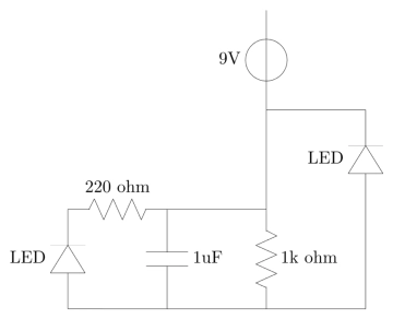
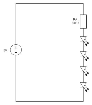
Free Configuration A
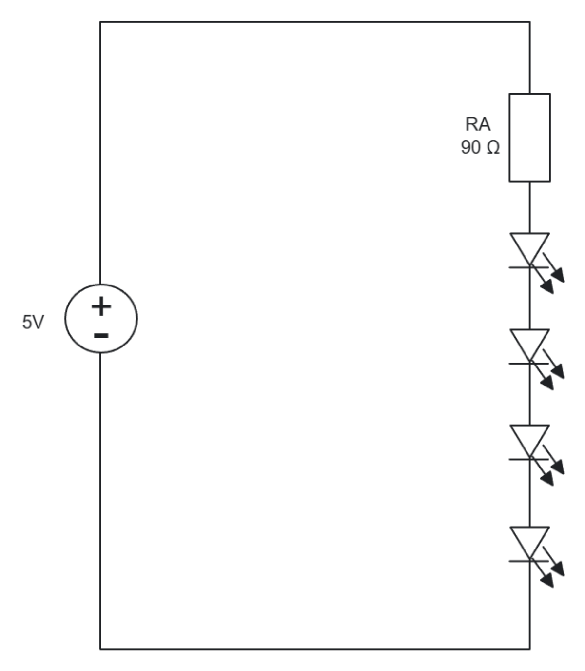
The Configuration A template is a professional engineering tool designed to facilitate the clear visualization and documentation of a series LED circuit for diagnostic or design purposes. This resource is ideal for electrical engineers, product designers, and technical educators who require a standardized schematic to communicate hardware specifications effectively. Users begin the workflow by establishing the 5V power source and identifying the primary $90\text{ }\Omega$ protective resistor at the top of the circuit. They then move through a step-by-step process of mapping out the four sequential light-emitting diodes to ensure proper polarity and current flow. Completing this logical process results in a high-fidelity technical roadmap that enables stakeholders to verify circuit integrity and achieve an optimized hardware prototype.
