Free Thyristor Test Circuit
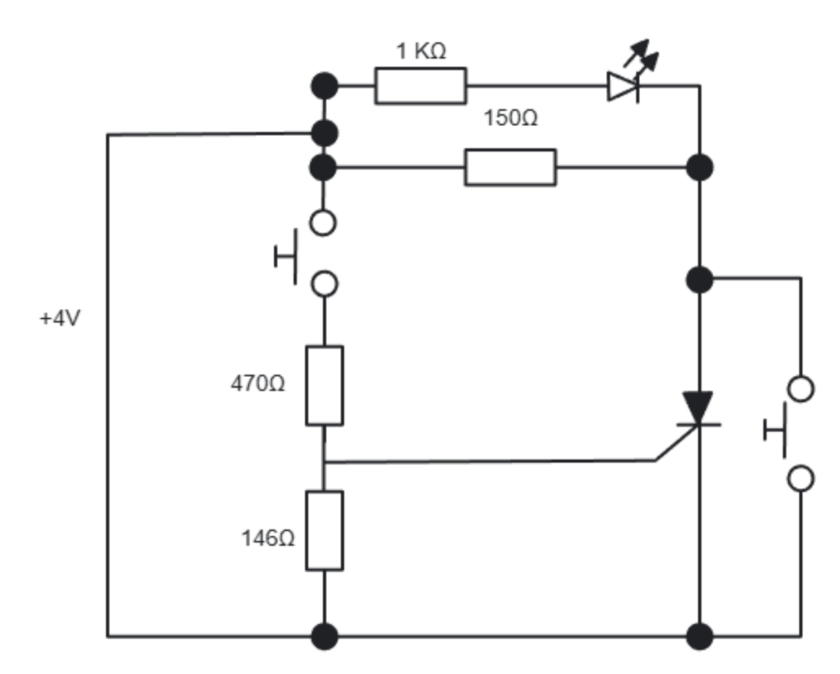
The Thyristor Test Circuit template is a professional technical tool designed to help users visualize and document the experimental setup for verifying the latching and switching behavior of a silicon-controlled rectifier. This resource is ideal for electrical engineers, laboratory technicians, and electronics students who require a standardized schematic for component testing or educational demonstrations. Users begin the workflow by establishing the +4V DC power source and configuring the primary load branch, which includes a 1k? resistor and a visual LED indicator. They then move through a step-by-step process of defining the gate trigger path, utilizing specific resistive values like 470? and 146? alongside momentary switches to control the thyristor's state. Completing this logical process results in a high-fidelity technical roadmap that enables stakeholders to achieve accurate hardware validation and a practical understanding of power electronic switching.
