Free Capacitivesens
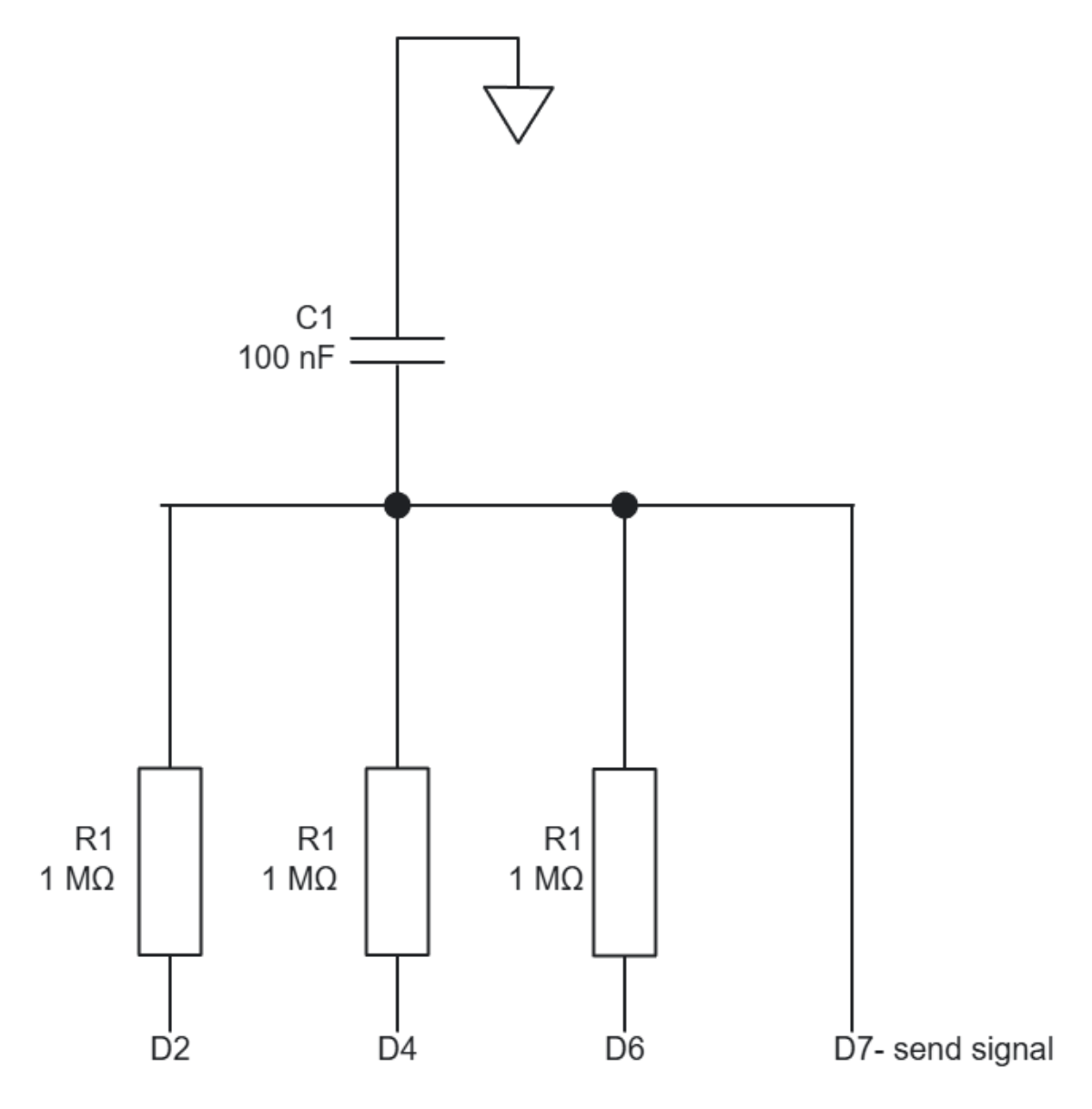
The Capacitivesens template is a professional engineering tool designed to facilitate the clear visualization and documentation of a capacitive touch sensing circuit. This resource is ideal for electrical engineers, product developers, and embedded systems designers who require a standardized schematic for prototyping human-interface devices. Users begin the workflow by establishing the common ground and the $100\text{ nF}$ decoupling capacitor to ensure signal stability. They then move through a step-by-step process of configuring the three $1\text{ M}\Omega$ resistors in parallel to define the sensitivity of individual touch channels. Completing this logical process results in a high-fidelity technical roadmap that enables stakeholders to verify signal pathways and achieve a responsive, data-driven hardware design for sending digital signals.
